Kromschroder IFW15-T — топочный автомат для наддувных горелок от официального дилера Промэлектроника
Компания Промэлектроника, являющаяся официальным дилером оборудования Kromschroder, представляет топочный автомат Kromschroder IFW15-T (артикул 84359020). Это устройство, созданное для управления наддувными жидкотопливными горелками с постоянным рабочим циклом. Промышленная надежность и инновационные технологии делают эту модель незаменимым выбором для нефтяной, химической и машиностроительной отраслей.
Основные преимущества Kromschroder IFW15-T:
Эффективное управление горелками:
Устройство обеспечивает совместное управление несколькими горелками, работающими в прерывистом режиме, благодаря интеграции с блоками IFS 110 или IFS 111IM.
Быстрая реакция системы на отключение пламени или обнаружение постороннего света гарантирует высокий уровень безопасности.
Продуманная система контроля пламени:
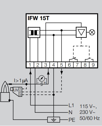
Возможность подключения фотодатчика или электрода ионизации для точного контроля пламени.
Встроенная лампа индикации состояния упрощает диагностику и обслуживание системы.
Устойчивость к сложным условиям:
Рабочий температурный диапазон от -20 до +60 °C позволяет использовать устройство в суровых климатических условиях.
Класс защиты IP 40 гарантирует устойчивость к пыли и влаге.
Легкость интеграции:
Возможность установки в любом положении упрощает монтаж.
Корпус из ударопрочной пластмассы защищает устройство от механических повреждений.
Компактные размеры (7.2x9.4x8.2 см) и небольшой вес (0.44 кг) способствуют удобству использования.
Технические характеристики
Способ сжигания: Наддувные
Вид топлива: Жидкотопливные
Режим работы: Постоянный
Предохранительное время (ts): 5 сек
Электропитание: 220 В
Вид датчика пламени: Фотодатчик
Рабочая температура: От -20 до +60 °C
Класс защиты: IP 40
Вес: 0.44 кг
Габариты: 7.2x9.4x8.2 см
Почему выбирают Промэлектроника?
Официальный дилер Kromschroder: Промэлектроника предлагает оригинальную продукцию с гарантией производителя. Вы можете быть уверены в качестве и надежности каждого устройства.
Профессиональная консультация: Наши специалисты готовы помочь вам с выбором оборудования, установкой и настройкой. Задайте вопросы, написав на email: sales@prom-elec.com
Гибкие условия сотрудничества: Промэлектроника работает только с юридическими лицами и ИП, предлагая удобные способы оплаты и доставки.
Применение Kromschroder IFW15-T в промышленности
Нефтяная промышленность:
Использование в установках сжигания жидких углеводородов.
Надежный контроль пламени для предотвращения аварийных ситуаций.
Химическая промышленность:
Интеграция в технологические линии сжигания отходов.
Обеспечение безопасности работы оборудования.
Машиностроение:
Применение в системах термической обработки металлов.
Точное управление процессами нагрева.
Уникальные особенности модели Kromschroder IFW15-T
Инновационные технологии безопасности: Система немедленной блокировки предотвращает запуск горелки при обнаружении постороннего света.
Простота технического обслуживания: Штекерный цоколь с контактными клеммами обеспечивает удобный доступ для подключения и диагностики.
Энергоэффективность: Устройство потребляет минимальное количество энергии, обеспечивая при этом высокую производительность.
Как заказать Kromschroder IFW15-T
Для оформления заказа свяжитесь с нашей командой по email: sales@prom-elec.com. Мы предоставим полную информацию о наличии, стоимости и условиях доставки.
Часто задаваемые вопросы
1. Подходит ли Kromschroder IFW15-T для газовых горелок?
Нет, эта модель предназначена исключительно для жидкотопливных горелок.
2. Как долго действует гарантия на устройство?
На всю продукцию Kromschroder предоставляется гарантия производителя — 12 месяцев.
3. Какие аналоги доступны?
Для получения информации об аналогах свяжитесь с нашими специалистами по email: sales@prom-elec.com.
Сделайте правильный выбор для своей системы сжигания топлива. Официальный дилер Kromschroder — компания Промэлектроника — гарантирует качество, надежность и профессиональное обслуживание. Заказывайте Kromschroder IFW15-T прямо сейчас!
Спасибо за ваш интерес к продукции Промэлектроника! Оставьте ваше сообщение, и наш менеджер свяжется с вами в ближайшее время для уточнения всех деталей.
Ваш запрос успешно отправлен! Наш менеджер свяжется с вами в ближайшее время для уточнения всех деталей по оборудованию. Благодарим за обращение!
Оставить заявку
Разместите код вывода формы обратной связи в настройке контента модального окна