







Зарегистрируйтесь, чтобы делать покупки, отслеживать заказы и пользоваться персональными скидками и баллами.
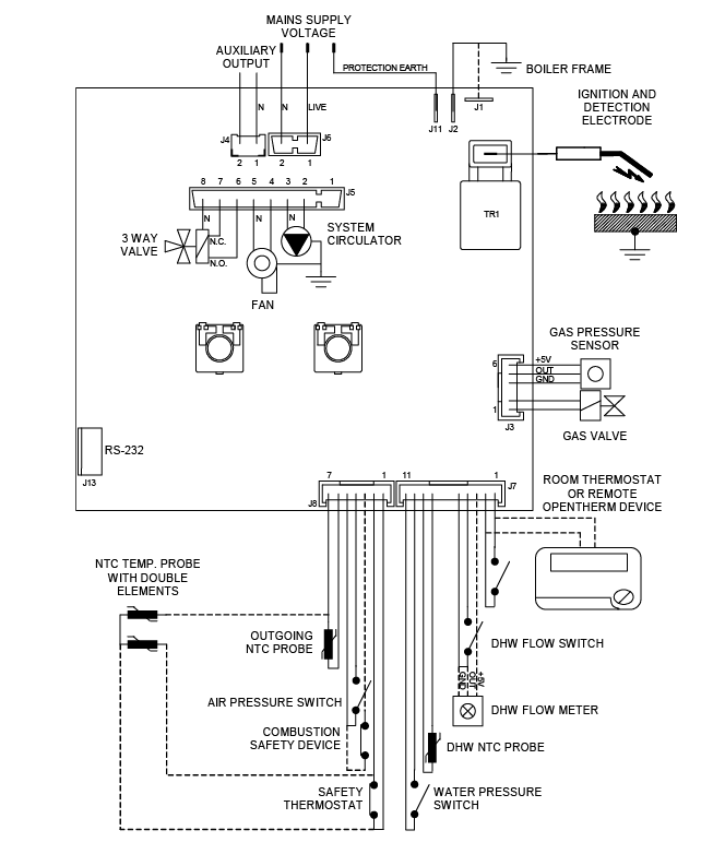
Плата управления Brahma серии 964 разработана для обеспечения безопасности и контроля температуры в конденсационных газовых котлах с предварительным смешиванием.

Инструкция Плата Brahma 964(en)
Бренды | Brahma |
Помогите другим пользователям с выбором - будьте первым, кто поделится своим мнением об этом товаре.


